Senarai Terikat Suhu Apl
bahan Suhu sederhana ℃ bahan Suhu sederhana ℃
PVC-C -20℃~ 95℃ PVC-U -5℃~ 45℃
FRPP -20℃~ 120℃ PPH -20℃~ 110℃
PVDF 40 ℃ ~ 150 ℃

Ciri-ciri Struktur Produk

1. Rintangan Kimia Unggul: Julat suhu operasi yang luas -20°C hingga 95°C, kandungan ion berat dalam medium memenuhi piawaian udara ultratulen, dan sifat kebersihan memenuhi piawaian kesihatan negara.
2. Kekuatan, keliatan dan rintangan kakisan kimia yang sangat baik.
3. Ketahanan: Penuaan yang sangat baik dan rintangan UV memanjangkan hayat perkhidmatan sistem paip lain dengan ketara.
4. Kekonduksian istilah yang rendah: Kira-kira 1/200 daripada keluli; retardans api pemadaman sendiri.
5. Ringan: Ringan, bersamaan dengan 1/5 paip keluli dan 1/6 paip kuprum.
6. Rintangan rendah, kadar aliran tinggi: Permukaan paip yang licin dan bersih, meminimumkan geseran dan lekatan apabila menghantar cecair.
7. Pemasangan mudah, kos rendah: Sambungan pelekat dan berulir tersedia, dengan gam adalah yang paling mudah.

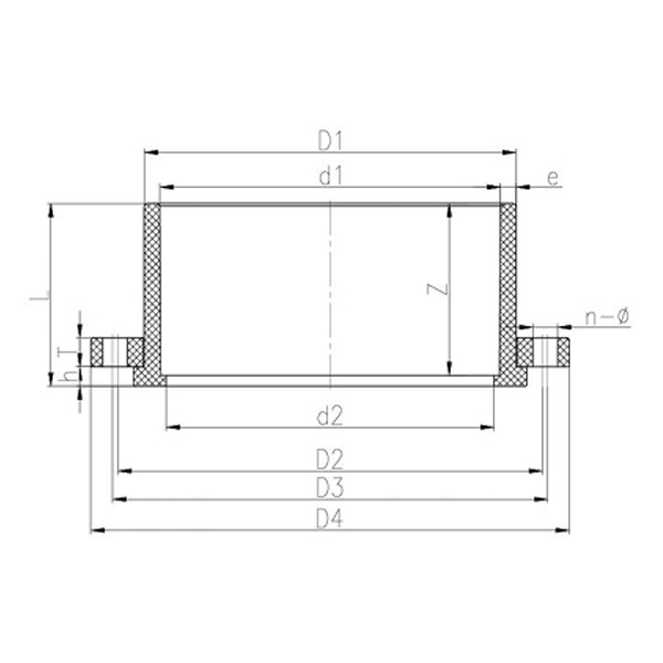
Senarai Dimensi

DN D1 D2 D3 D4 d1 d2 L T h Z n- Φ
15 27 59 70 95 20 18 22 16 1.5 16 4-Φ15X20.5
20 32 70 75 105 25 23 25 18 1.5 19 4-Φ15X17.5
25 40 79 90 125 32 29 28 18 1.5 22 4-Φ15X20.5
32 50 89 100 140 40 36 31.5 20 1.5 26 4-Φ18X24.5
4 61 98 110 150 50 4 37 20 2 31 4-Φ18X24
50 75 120 125 165 63 58 44 25 2 38 4-Φ18X20.5
65 88 140 145 185 75 69 50 25 2 44 4-Φ18X20.5
80 105 150 160 200 90 84 57 26 2.5 51 8-Φ18X23
100 127 175 190 522 9110 105 67 26 2.5 61 8- Φ 18X26
125 161 210 250 140 130 84 28 12.5 77 8-Φ19
150 182 240 285 160 150 93 31 12.5 85 8-Φ23
200 249 295 339 225 215 127 36 16 119 8-Φ23X25
200 254 295.8 341 225 215 127 33.1 16 119 12-Φ22
250 308 350 395 280 267 154 40.5 16.5 144 12-Φ23
300 346 400 445 315 305 170 43 18 160 12-Φ23
350 395 460 505 355 340 176 43 16 164.5 16-Φ23
400 442 515 570 400 382 219 43 22 200 16-Φ27
450 494 565 625 450 430 220 40 27 210 20-Φ26
500 548 620 670 500 475 210 43 25 185 20-Φ27
Maklum Balas Mesej
Tentang Kami
Kaixin Pipeline Technologies Co., Ltd.
Ditubuhkan pada tahun 1999, Kaixin Pipeline Technologies Co., Ltd. ialah perusahaan berteknologi tinggi yang menyepadukan R&D, pembuatan, jualan dan perkhidmatan. Syarikat itu memegang pelbagai pensijilan berprestij, termasuk Perusahaan Berteknologi Tinggi Nasional, PKS Khusus dan Canggih "Little Giant", Juara Produk Tunggal Kebangsaan (Penanaman), PKS berasaskan Teknologi Wilayah, PKS Khusus dan Canggih Ningbo, Juara Produk Tunggal Ningbo (Penanaman), Pusat R&D Perusahaan Paip & Injap Polimer Ningbo, Pusat R&D Perusahaan dan Dataran Injap Ningbo, Pusat R&D Perusahaan dan Dataran Kilang Ningbo Tahap Kematangan Keupayaan Pengurusan 2.
Kami pakar dalam membangunkan, menghasilkan dan membekalkan produk tahan kakisan bukan logam untuk aplikasi kimia, termasuk injap plastik, paip, kelengkapan paip dan pam kalis kakisan. Portfolio produk kami merangkumi bahan seperti PVC-C, PVC-U, PVDF, PPH dan FRPP, dengan rangkaian jenis dan spesifikasi yang komprehensif. Terutamanya, injap rama-rama kami boleh mencapai diameter DN1000, manakala paip dan kelengkapan memanjang sehingga DN800, menangani jurang pasaran dan mengekalkan kelebihan daya saing kami dalam industri.
Berpandukan prinsip "Didorong oleh Teknologi, Mengikuti Rentak Masa," Kaixin memperuntukkan hampir RMB 10 juta setiap tahun untuk R&D. Kami memastikan kualiti produk yang unggul melalui pembuatan automatik yang standard dan penyumberan ketat bahan mentah yang diimport. Sejajar dengan strategi pembangunan antarabangsa kami, kami sentiasa memantau arah aliran pasaran global dan memanfaatkan saluran digital untuk membawa produk "Buatan China" berkualiti tinggi kepada pelanggan di seluruh dunia.
Ningbo • Fenghua R&D & Pangkalan Pengeluaran
Dengan jumlah pelaburan sebanyak RMB 200 juta, Kaixin Ultra-Pure Pipe Technology (Ningbo) Co., Ltd. telah menubuhkan makmal bahan baharu dengan kerjasama universiti dan institut penyelidikan, membina pangkalan pembuatan moden, dan memasang 8 barisan pengeluaran automatik sepenuhnya untuk plastik diubah suai dan 8 untuk bahan polimer. Kemudahan ini didedikasikan untuk R&D, pengeluaran, dan penggunaan plastik dan bahan polimer yang diubah suai. Kaixin juga komited untuk menarik bakat terbaik merentas disiplin, memacu inovasi produk dan pembangunan jenama secara berterusan, dengan matlamat untuk menjadi peneraju yang diiktiraf di peringkat global dalam R&D dan pembuatan injap, paip dan kelengkapan polimer.
Sijil Kepujian
  • honor
  • honor
  • honor
  • honor
  • honor
  • honor
  • honor
  • honor
  • honor
Berita